Description:
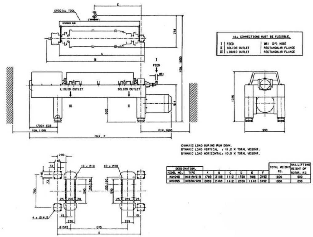
Max bowl speed 3250 RPM, 2100 x G, 20 degree beach angle, 70mm single lead STC-tiled conveyor, 159:1 gearbox, 22.5 KW motor 380/3/50, 5.5 KW backdrive, guards, feed tube, vibration switch/isolators, control panel and chutes on stand. Prior use: Wastewater. 1987 vintage. Very good condition. Located in Europe.
The Alfa-Laval AVNX 4055B-31G decanter centrifuge, 316SS. is designed for high-efficiency separation processes, particularly in wastewater treatment applications. With a maximum bowl speed of 3250 RPM and a centrifugal force of 2100 x G, this decanter centrifuge effectively separates solids from liquids, ensuring optimal performance in various industrial settings. The 20-degree beach angle enhances the separation process, allowing for a more efficient discharge of solids while maintaining a steady flow of clarified liquid. The unit is equipped with a 70mm single lead STC-tiled conveyor, which is crucial for transporting solids out of the bowl while minimizing wear and tear, thus extending the lifespan of the equipment. The robust 159:1 gearbox and a powerful 22.5 KW motor operating at 380/3/50 volts ensure that the centrifuge operates smoothly and reliably under demanding conditions, making it a valuable asset for any facility focused on efficient waste management.
In addition to its impressive technical specifications, the Alfa-Laval AVNX 4055B-31G decanter centrifuge, 316SS. comes with essential features that enhance its usability and safety. The inclusion of guards, a feed tube, vibration switch/isolators, and a control panel ensures that operators can manage the machine effectively while adhering to safety standards. The machine's design also facilitates easy maintenance, allowing for quick access to critical components without extensive downtime. This is particularly important for industries that rely on continuous operation and cannot afford interruptions. Despite being a vintage model from 1987, this centrifuge is in very good condition, indicating that it has been well-maintained and can deliver reliable performance for years to come. Its location in Europe makes it accessible for buyers in the region looking for high-quality industrial equipment.
Key Features:
High-Speed Performance, Durable Construction, Efficient Solid-Liquid Separation, User-Friendly Control Panel, Easy Maintenance Access
