Description:
Max bowl speed 6400 RPM, light liquid phase discharged under pressure, rated @ 25 GPM on light viscosity oil. 7.5 HP XP motor 460/3/60/1765 RPM, water harness, feed pump, vibration isolators, all valves, gauges, piping, tools, manual and XP control panel, mounted on a sump base. Very good condition.
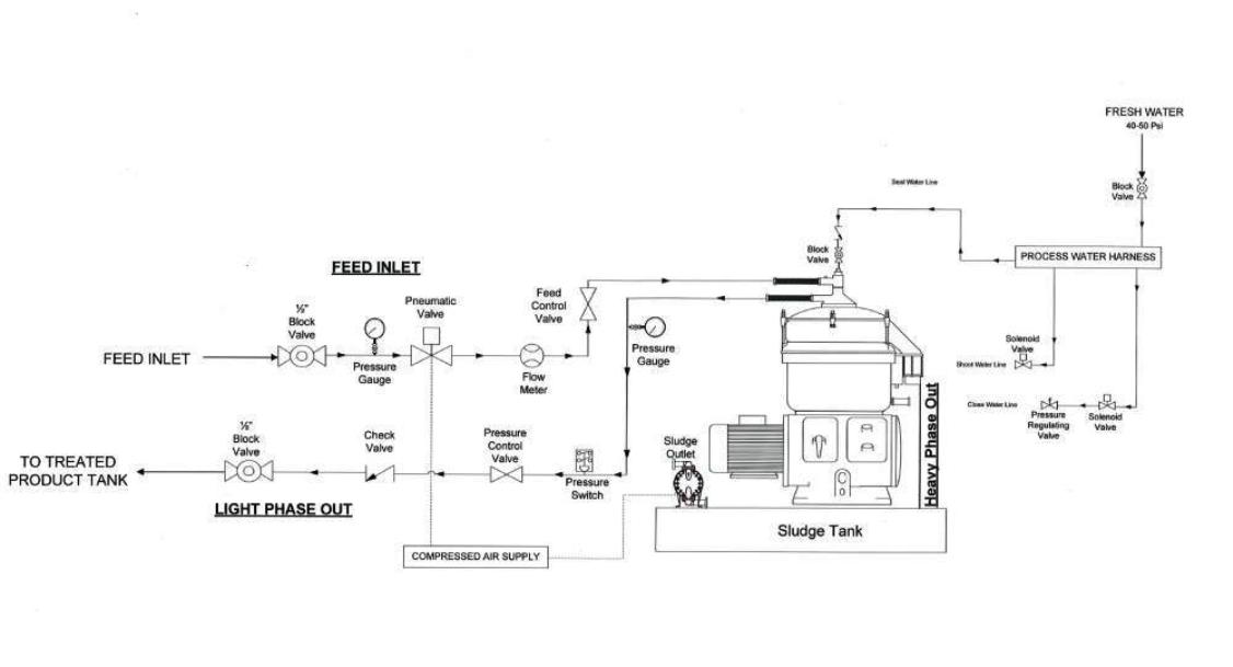
The Alfa-Laval MOPX 207 SGT-24-60 oil purifier skid, SS. is engineered for high-efficiency oil purification, making it an essential asset for industries that require the utmost in fluid cleanliness. With a maximum bowl speed of 6400 RPM, this unit is capable of effectively separating contaminants from light viscosity oils at a rated capacity of 25 gallons per minute. The design incorporates a light liquid phase discharge under pressure, ensuring that the purified oil can be efficiently returned to the system without the need for additional processing. This feature not only enhances operational efficiency but also minimizes downtime, allowing for continuous production processes.
The skid is powered by a robust 7.5 HP explosion-proof motor, operating at 460 volts, 3-phase, and 60 Hz, with a speed of 1765 RPM. This motor is specifically designed to withstand harsh industrial environments, providing reliable performance and longevity. The unit comes equipped with a comprehensive water harness, a feed pump, and vibration isolators that enhance stability during operation. Additionally, all necessary valves, gauges, and piping are included, along with essential tools and a detailed manual to facilitate installation and maintenance. The XP control panel is intuitively designed for ease of use, allowing operators to monitor and control the purification process with precision. Mounted on a sump base, the skid is designed for easy integration into existing setups, making it a versatile solution for various industrial applications.
Key Features:
High-Speed Performance, Durable Construction, Easy Integration, Comprehensive Control Panel, Efficient Contaminant Separation
