Description:
Max bowl speed 4900 RPM, rated @ 6600 LPH fresh cheese, 3300 LPH cream cheese, 45 KW motor 380/3/50/1470 RPM, valve block, Miromatic cream dosing and mixing station, Netzsch quark pumps, GEA plate heat exchanger (cooler), water harness, yogurt hopper, tools, PLC/HMI control panel and all piping. 2000 vintage. Excellent condition. FCA Europe.
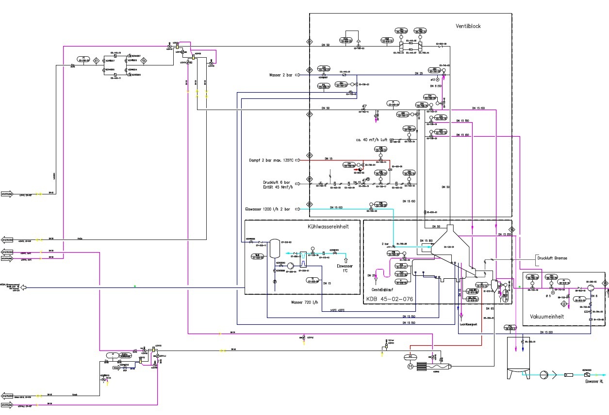
The Westfalia KDB 45-02-076 quark separator, complete plant, is engineered for high efficiency in dairy processing, particularly for the production of fresh and cream cheese. With a maximum bowl speed of 4900 RPM, this separator is capable of handling a substantial throughput, rated at 6600 liters per hour for fresh cheese and 3300 liters per hour for cream cheese. The robust 45 KW motor operates at 380/3/50/1470 RPM, ensuring reliable performance and consistent quality in the separation process. This complete plant is designed to integrate seamlessly into existing dairy operations, providing a comprehensive solution for quark production with minimal downtime and maximum output.
Included in the setup are essential components such as a valve block, a Miromatic cream dosing and mixing station, and Netzsch quark pumps, which work in tandem to optimize the flow and quality of the product. The GEA plate heat exchanger serves as a highly efficient cooler, ensuring that the temperature-sensitive quark is processed under optimal conditions. The water harness and yogurt hopper facilitate the necessary fluid dynamics for the production process, while the included tools and PLC/HMI control panel allow for user-friendly operation and monitoring. With all piping included, the Westfalia KDB 45-02-076 quark separator is not only a powerful machine but also a complete system that simplifies installation and setup. This equipment, dating back to 2000, is in excellent condition, making it a valuable addition to any dairy processing facility looking to enhance its production capabilities. The FCA Europe terms ensure a straightforward transaction for buyers in the region.
Key Features:
High-Speed Performance, Robust Motor Specifications, Integrated Mixing and Dosing Station, Efficient Cooling System, Complete Installation Package
Frequently Asked Questions
We're sorry, but this item has been sold.
Please consider the alternatives below.
